| Power (kVA) | 56 kVA, 90 kVA |
|---|---|
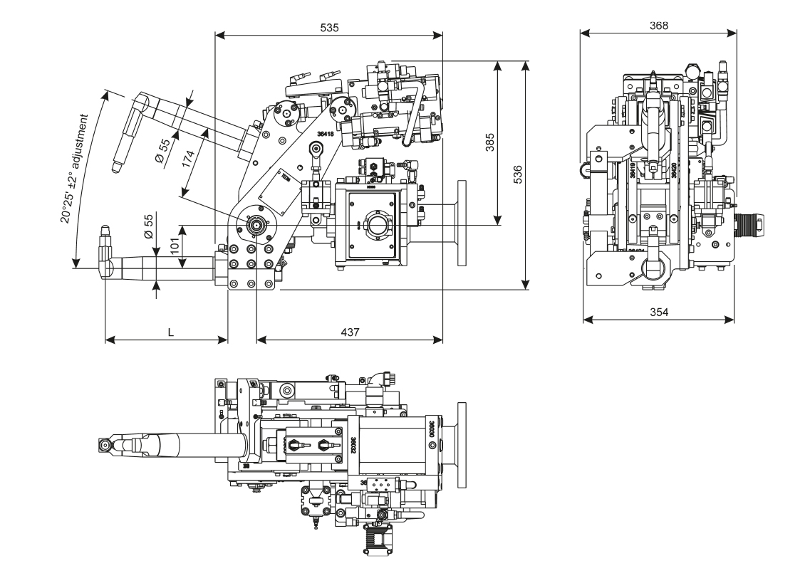
| Gun Type | Robot Welding Gun |
| Secondary Voltage (V) | 8,4 V, 9,9 V |
| Thermal Current (kA) | 4,4 kA, 6,1 kA |
| Welding Type | Spot Welding |
| Max. Weld Force | 249 daN, 285 daN, 333 daN, 363 daN, 399 daN, 444 daN, 500 daN |
| Short Circuit Current (kA) | 25 kA, 32 kA |
Tecna’s PNEUMATIC ROBOT SPOT WELDING GUNS are a classic in robot spot welding. The range of models and configurations, between transformers, cylinders and arms offers a complete cover for any project. Flexibility and adaptation blend with force and reliability of Tecna’s pneumatic actuator drive.
A great tool for robot welding.










